一、概述
随着高新技术尤其是信息技术的飞速发展,微处理器控制的用电设备和电力电子设备在系统中的大量使用,这些设备对来自系统的干扰比机电设备更为敏感,对电能质量的要求也更高;另一方面,这些设备自身也可能是引起电能质量问题的因素,如何提高用户的用电质量和用电效率、保护用电设备成为人们日益关注的问题。
二、产品简介
HZ-DYH系列电磁式电能质量优化装置可广泛应用于各种用电场合,主要针对0.4——10KV用户用电网络,可为对电能质量要求较高的各种精密的、复杂的用电负荷提供高效洁净的电力能源。HZ-DYH系列电磁式电能质量优化装置采用创新设计的电磁转化机构,结合无触点调节技术和电磁补偿稳压技术使电网用电质量得到极大的改善,具有自动检测抑制电网谐波、平衡三相有功功率和柔性补偿无功功率等多项功能,同时具备过压、过流、欠压和缺相等保护,大大降低了电力传输的损耗,提高了系统供电的可靠性,稳压节电效果明显,广泛适用于电力、冶金、化工、煤炭、建材、轻工、水利、铁路交通等行业的电力系统中,其经济效益和社会效益十分显著。
三、产品特点
◆装置采用无触点电压调整技术,可以给负载提供稳定的、平滑的电源;
◆装置采用自动电磁平衡技术,三相一体的电磁转换器设计可以抑制由负载不平衡造成的系统电压三相不平衡;
◆装置中的电磁转换器是一种高效的能量形态转换单元,通过励磁的作用,可将供电系统中的无功功率部分的转化为有功功率,改善功率因数,降低了无功功率,从而提高了电能利用率;
◆设备主要器件电磁转换器内嵌惰性器件,可以有效地抑制来自电源侧的谐波成分,并可以阻隔感性负载产生的谐波对电网的传送和影响;
◆装置是串联在系统中使用的,为了保证系统的供电安全和后期维护的便利,装置采用双旁路供电的安全旁路电路设计,即:手动旁路和自动旁路,当电压过低或出于检修的考虑时,可让装置自动旁路工作或手动旁路工作;
◆装置中的电磁转换器由于选用优质特种磁性材料,使得铁芯磁场的涡流损失和磁滞损失比一般矽钢片的损失少得多,几乎可忽略不计,其自身损耗极低;
◆本产品采用过压、欠压、缺相及过流保护等技术,提高了产品运行的安全性。
四、主要功能
◆提供稳定的供电电压
◆调整系统的三相不平衡度
◆抑制谐波污染
◆提高系统的功率因数
◆降低电机负载的启动电流
◆抑制瞬流、浪涌
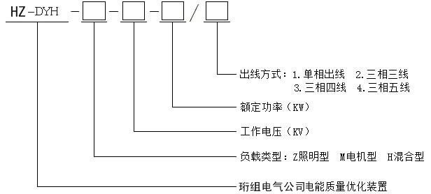
五、型号说明

六、技术参数

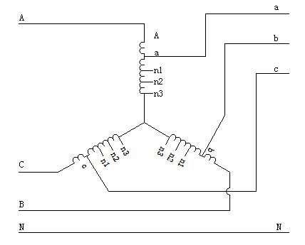
七、装置原理

A、B、C为电源输入端,a、b、c为优化输出端,n1、n2、n3为中性点调零端,N为零线端。
由于三相电压的三个线圈绕组都分别处在同一个变压器的三个铁芯上,巧妙地利用了电向量和磁通向量之间的关系,使三相绕组的相与相之间,不再是相互独立的关系,而是形成相互关联、相互作用的统一系统。绕组的相互交叉连接,可以消除各相位间的电压和电流的不均衡,维持控制其平衡性。当某相电压升高时,对应于该相的电压线圈中的磁通量也会增加,造成三相磁通向量的不平衡,此时在同一个磁路中的铁芯上的另外两相电压线圈的磁通量就会自动增加,以维持磁路中的平衡,这就使得另外两相电压线圈中得自感电动势也自动增加,从而维持了三相电源电压相互间的平衡关系,相互补偿磁芯的磁通量,最大限度地控制各相感应电动势的一致性,从而保持三相平衡。同时通过电感之间电磁相互作用,回收彼此反相的剩余电流和无功功率以最大限度的节省电能,提高功率因数。使用电设备在三相电源平衡、对称的状态下优质运行,可以消除因线路三相电源不平衡所带给负载设备对能量消耗量的增加,同时避免了用电设备因电源不平衡而产生的危害。

电能质量优化装置控制原理
八、应用系统图

九、订货须知
1、订货时应提供:系统额定电压、柜体尺寸和主母线排列方式及详细接口尺寸
2、如有特殊要求应在订货时提出,额外附件和备件,应在订货时注明型号和所需的数量
3、装置抵达后,可参照《使用说明书》进行安装、操作和维护。
HZ-DYH-Z照明型电能优化装置简介
应用范围
适用于大型工矿企业、公共场所、商业企业、办公场所、城市亮化等的照明系统。
技术分析
当前,很多用电场合开始使用节能灯具,而绝大部分的节能灯具都是感性负荷的灯具,其对电网的直接影响就是增大系统无功。再者,由于高压送电的原因,电网的供电电压总是高于照明设备的额定值,尤其是夜间电压更高,形成了电能的过剩供给,照明设备长期运行在高电压环境下,将会大大缩短其使用寿命,并造成电能浪费。另外,灯具发光效率在不同供电参数时不同,过高的供电参数对发光不起作用,反而使灯具发热,镇流器产生噪音。
◆照明灯具发光效率在不同供电参数时不同,过高的供电参数对发光不起作用,反而使灯管过热,镇流器产生噪音。传统镇流器型灯具使用寿命长,很少产生电流谐波,但效率低,无功部分耗电达20%;目前应用的电子镇流节能灯具特别是紧凑型节能灯具功率因数高,但电路部分集中发热容易损坏,影响寿命,功率越小越容易损坏;
◆城市路灯,下半夜的供电参数普遍较高,耗电量额外增加,容易造成路灯的老化损坏。HZ-DYH-Z电照明型电磁式电能优化装置具有延时启动、欠压自动补偿、自动进入节电状态、过流、缺相、短路保护等智能功能。可调整照明灯具供电参数,抑制电压波动,减少大电流冲击,根据不同季节、时段和场所设定路灯的开关时间,可有效地延长灯具的使用寿命。
HZ-DYH-Z照明型电磁式电能优化装置通过调整输出功率,解决供、配电电压过高的问题,实现优化供电,使照明设备在满足亮度的前提下,始终工作在最佳状态,达到节电和延长灯具使用寿命的目的。
HZ-DYH-M 动力型电能优化装置简介
应用范围
适用于各种高、低压三相异步电机的动力设备。
技术分析
通常情况下,工业电机负荷设计匹配都有5%—10%安全使用裕量,配电功率较大。电机实际使用过程中60%以上的电机长期处于变化负荷或轻负荷运行状态,电机效率低,电机自身损耗和无功损耗很大,在各项供电参数都较高的地区和时间段,线路损耗会更大。对于启停、负荷波动频繁的用电设备,还会产生频繁波动的冲击电流。
HZ-DYH-M 电机型电磁式电能优化装置根据电动机的工作特性,采用功率自动跟踪检测调节方式,使电动机达到最佳效率的工作匹配,在保证电动机正常运行的条件下,使电动机的输出转矩与负荷实际需要的功率匹配,工作电流降低到最小,降低配电功率大造成的空载损耗,提供功率因数,提供电动机运行效率,达到节电的目的。
◆不改变电机转速,不降低电机工作效率,自适应跟踪功率调节,提高功率因数及运行效率。
◆不产生谐波干扰,对电网无污染,并能抑制电网中高次谐波,是真正的环保节能产品。改善运行性能,抑制线路中瞬变电压,降低用电设备运行噪音、振动和温升,延长电机使用寿命,减少维护费用。
◆具有良好的软启特性和很强的过负荷能力,启动电压可调,在大功率电机上使用可替代降压启动装置。
◆不受用电环境制约,无需对原有用电线路进行改造,自动控制,无需专人看管维护。
HZ-DYH-H 混合型电能优化装置简介
应用范围
适用于三相异步电机、灯光照明等混合负载的用电系统。
技术分析
由于高压送电原因,电网的供电电压总是高于设备的额定值,尤其是夜间电压更高,形成了电能过剩供给。用电设备长期运行在高电压环境中,将会直接缩短其使用寿命,并造成电能浪费。
HZ-DYH-H混合型电磁式电能优化装置通过对用电设备的电流、电压的反馈和计算,寻求用电设备的最佳工作状态,解决供、配电电压过高的问题,保持终端设备用电电压的稳定,调整输出功率,实现优化供电,从而实现节电和延长使用寿命的作用。
◆不产生谐波干扰,对电网无污染,能抑制电网中的高次谐波,是真正的环保节能产品;
◆智能控制,无需人工调控;
◆提高系统的功率因数,降低线路无功损耗;
◆不改变原有线路的控制方式,安装、维护便捷;
◆延长用电设备的使用寿命,减少维护成本;
◆通用性强,既能适应电机负载,又能适用各类灯光负载,以及各种混合负载类型。
首页
产品中心
新闻资讯
联系我们